貼合機主要針對在板材上貼合各種裝飾材料,如pvc、木紋紙等,具有速度快、力大等特點,使加工板材表面平滑不起皺,是大型面板廠理想的使用設備。
傳統的貼合機采用直流電機調速方式,設備簡陋,故障率高,維修成本貴。隨著工業技術的發展,貼合機越做越先進,舊設備已無法滿足現有生產的需求,于是,各廠家開始利用新型控制技術來改造貼合機,變頻器及伺服等工控產品則在其中扮演著至關重要的角色。下面,我們來介紹易能EN600型變頻器加ESS200P同步伺服在某大型設備廠貼合機上的應用。

設備介紹
貼合機因各機械廠商的設計不同而有所差異,該貼合機主要結構包含:包覆傳動機構,壓合輥機構,前進料機構,后出料機構,切刀機構,自動切膜機構。
貼合機主要技術原理:包括用于放置第一基材的第一基材放卷裝置、涂膠裝置、除塵裝置,用于放置第二基材的第二基材放卷裝置以及預熱輸送加熱加壓貼合裝置。


系統配置
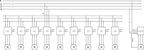
該貼合機控制系統采用多臺易能EN600系列變頻器分別使用在包覆傳動機構,壓合輥機構,前進料機構,后出料機構,切刀機構;易能ESS200P伺服驅動器則使用在自動切膜機構。變頻器與上位機采用通訊控制方式進行信息交互和啟停調速控制;伺服接收高速脈沖進行快速精準追剪。


部分參數設置

接線示意圖

?應用優勢
● 該貼合機采用EN600系列高性能變頻和ESS200P伺服系統,貼合速度快,調試便捷,大大提高了生產效率;且簡化了傳動系統,大幅度降低了設備的故障率和維護成本。
● EN600系列高性能變頻器采用開環矢量控制模式,滿足了貼合機在低負荷低轉速下運行時的機械特性;且具備轉矩補償、防失速再啟動等功能,使產品質量更加可靠。
● 切膜機構采用ESS200P同步伺服進行高速追蹤剪切,使生產板材精度高響應快。與多臺變頻器協同工作,實現自動放卷、糾偏放斜等功能,使系統運行更加穩定。
? 4000-711-088
深圳市南山區桃源街道麗山路大學城創業園1503室
0755-26985120
info@enc.net.cn