 
 
                壓縮空氣是僅次于電力的第二大動力能源,更是具有多種用途的工藝氣源,常被廣泛地應用于電力、化工及機械制造等許多領域。但由于空壓機能源運行成本高,為了提高空壓機的運行效能,各大企業逐漸開始選用變頻空壓機,它相較于常規直驅式空壓機而言,可顯著的提高空壓機的系統效率。同時,隨著稀土永磁材料的快速發展,永磁同步電動機也在空壓機中迅速地得到了廣泛應用,其以高效節能的特點在壓縮機行業中占據了很大的份額。
易能電氣著眼于工業領域的發展趨勢,為了提高各企業空壓機的運行效能,推出易能EN650B系列變頻器,本系列變頻器的出現改善了空壓機的系統效率,具有明顯的節能高效優勢,已得到市場廣泛的使用。
下面,我們來介紹易能EN650B系列永磁電機專用矢量變頻器在160KW永磁同步空壓機上的應用。

設備介紹
空壓機工作過程:
1、吸氣階段
空壓機有一對陰陽轉子旋轉完成空氣壓縮,進氣端空隙開始通過吸氣口充氣,陰陽轉子準備壓縮,陰轉子在其整個長度上充滿氣時吸氣結束。
2、壓縮階段
陽轉子開始與對應陰轉子相互嚙合,通過密封線時將空氣截住陽轉子開始擠壓截住的空氣。
3、排氣階段
陽轉子的擠壓運動逐步減少被截留空氣的體積并同時將其擠到排氣端完成排氣。
系統配置
該系統上位機采用國內某知名空壓機專用控制器進行PID閉環控制,系統中的觸摸屏和EN650B變頻器采用Modbus通訊方式來實現頻率調節,并實時在線采集變頻器電流,電壓,功耗等參數。


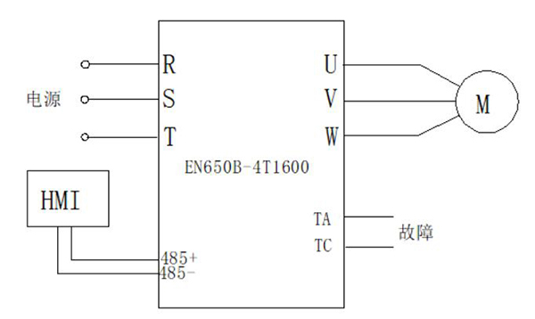
變頻器接線示意圖

部分參數設置
 ?
?
應用優勢
采用EN650B同步變頻技術比異步變頻方案更加節能,并且使壓縮機體積大幅減小,大大節約了安裝空間。
EN650B具有優秀的自學習功能和各種保護功能,可準確的學習電機各項參數,確保電機低噪音運行,并延長了使用壽命。
EN650B高性能無感矢量控制,實現了系統的快速響應,確保供氣壓力穩定。
采用EN650B變頻器加空壓機控制器方案,確保設備平穩運行,滿足了用戶需求。
? 4000-711-088
深圳市南山區桃源街道麗山路大學城創業園1503室
0755-26985120
info@enc.net.cn